Search by Model Number

Search by Part Number

Model and Serial Numbers

Click here for guide

FG719_0300

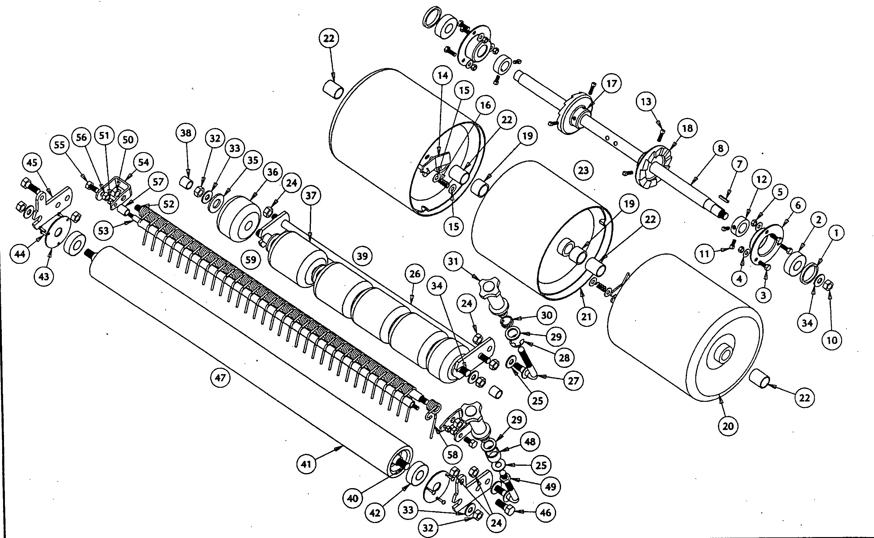
Assembly drawing

Please use your mouse to zoom in and out for more detailed view

FG719_0300

Parts list

Match the number with the image on the left and click "Add" button to add the item to your basket

Please note, that the prices are for individual items

Items might appear more than once on the drawing, please check and adjust the quantity you require.

Ref No Description Price
001 L1060-120 NO LONGER AVAILABLE N/A POA
002 FBRL080 NO LONGER AVAILABLE N/A POA
003 FBOPL01 BOLT £2.98 Add
004 FWAPL56 SPRING WASHER £2.98 Add
005 FNUPL06 NUT £2.98 Add
006 L1060-145 BEARING HOUSING £34.85 Add
007 L1030-170 ROLLER DRIVE KEY £6.74 Add
008 L1530-350 BACK ROLLER SHAFT 500/GOLF £80.68 Add
010 L0110-013 NUT £4.16 Add
011 L0107-041 SCREW CUP POINT £5.87 Add
012 L1030-230 BACK ROLLER LOCKING COLLAR £22.37 Add
013 L0107-041 SCREW CUP POINT £5.87 Add
014 L1030-290 BACK ROLLER PAWL £16.44 Add
015 L0115-040 NO LONGER AVAILABLE N/A POA
016 L1030-270 spring two only left now obsolete N/A POA
017 L1030-250 BACK ROLLER RATCHET RH £57.74 Add
018 L1030-245 BACK ROLLER RATCHET LH £57.74 Add
020 L1730-330 BACK ROLLER DRUM (GOLF) £264.81 Add
020 L1530-330 BACK ROLLER DRUM (500) £244.83 Add
022 L1730-190 SINTERED BUSH £34.74 Add
023 L1530-450 BACK ROLLER ASSY (500) £539.28 Add
023 L1530-451 ROLLER BACK ASSY £670.71 Add
024 FNLPL10 NUT NYLOC ZP M10 N/A POA
025 FWAPL10 WASHER FLAT ZP M10X21X1.6 N/A POA
026 L1545-300 FRONT ROLLER BRKT ASSY (500) £71.79 Add
027 L1035-230 PIVOT BOLT £6.53 Add
028 L0135-025 E CLIP £4.63 Add
029 L0115-016 WASHER £3.70 Add
030 L1045-220 FRONT ROLLER ADJ SPRING £4.74 Add
031 L1045-240 NO LONGER AVAILABLE N/A POA
032 FNLPL12 NUT £2.89 Add
033 FWAPL28 FLAT WASHER £3.83 Add
034 L1545-395 NO LONGER AVAILABLE N/A POA
035 L0115-056 WASHER £2.79 Add
036 L1045-385 NO LONGER AVAILABLE N/A POA
037 L1045-390 ROLLER WOOD 82MM STAINED £37.23 Add
038 L1545-350 FRONT ROLLER SPACER £9.50 Add
039 L1545-400 FRONT ROLLER ASSY (500) £170.43 Add
040 L1745-340 SHAFT £39.84 Add
041 L1745-405 ROLLER FRONT ASSY-STEEL GOLF L1745-420 (OBSOLETE) (OBSOLETE) N/A POA
042 FBRL080 NO LONGER AVAILABLE N/A POA
043 L1745-335 CAPS £28.34 Add
044 FSCPL08 SCREW £3.70 Add
045 L1745-200 FRONT ROLLER BRKT £27.97 Add
046 FBOPL85 BOLT £5.31 Add
047 L1745-350 FRONT ROLLER ASSY STEEL GOLF N/A POA
048 L1745-215 SPACER HANDWHEEL ROLLER ZP N/A POA
049 FNUPL10 NUT ZP M10 N/A POA
050 L0111-046 NYLOC NUT £2.79 Add
051 FNLPL06 NYLOC NUT £4.92 Add
052 L1745-130 TURF RAKE SHAFT £57.19 Add
053 L1745-140 SHAFT TURF RAKE 5/16 GOLF ZP N/A POA
054 L1745-105 TURF RAKE BRKT £41.02 Add
055 FBOPL18 BOLT £4.18 Add
056 FNLPL08 NUTNYLOCZPM8 N/A POA
057 L1745-115 TURF RAKE SPACER £9.77 Add
058 L1745-120 TURF RAKE TYNE £6.94 Add
059 L1745-150 TURF RAKE ASSY (GOLF) £214.57 Add